Home
Project WPs
Further information
Downloads
Contact
Newsletter
More
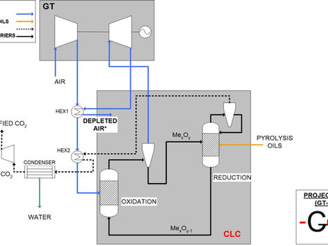
Here you can find further information on the project objectives and methodology